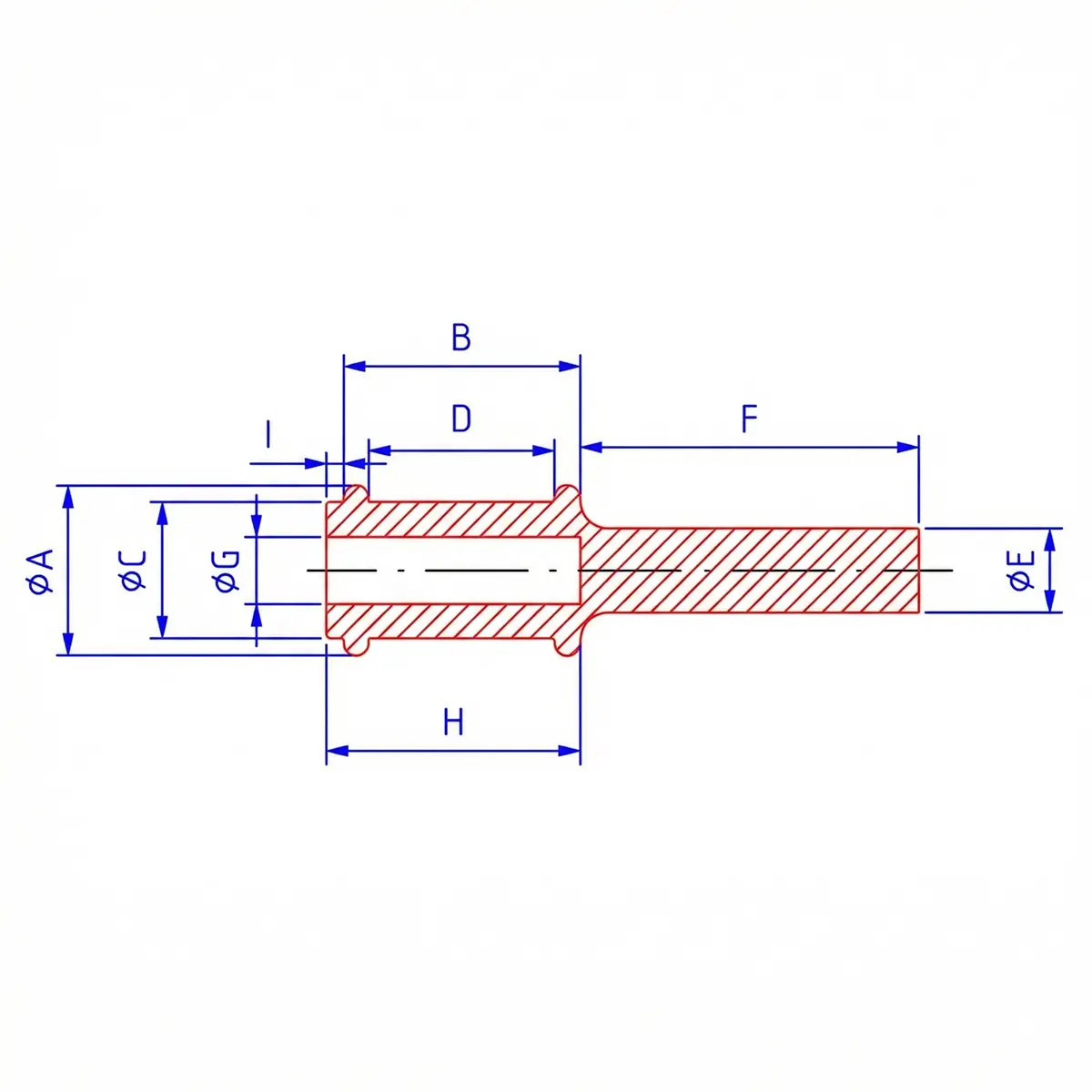
**Schnell setzen, sicher abdecken:** Diese DZSTK‑Ausführung kombiniert **Kante** für definierten Sitz mit einem **einseitigen Anfasser** für komfortables Handling.
**Einsatz:** Abdeckung von Gewindegängen und Löchern – Randbereich wird beidseitig abgedeckt.
Temperaturbeständig bis **+315°C**.
**Abgabe:** nur in vollen Verpackungseinheiten (Karton).
Weitere Abmessungen, Varianten oder Sonderausführungen auf Anfrage.











Rezensionen
Es gibt noch keine Rezensionen.