**GST Gewindestopfen** zum sicheren Abdecken von Gewinden bei Pulverbeschichtung und Lack.
**Vorteile**
– ✅ Vollständiges Abdecken der Gewinde für saubere Beschichtung
– ✅ Stabiler Sitz, auch bei Sandstrahlbelastung
– ✅ Temperaturbeständig bis 315°C
**Technische Übersicht**
– Temperaturbeständigkeit: bis 315°C
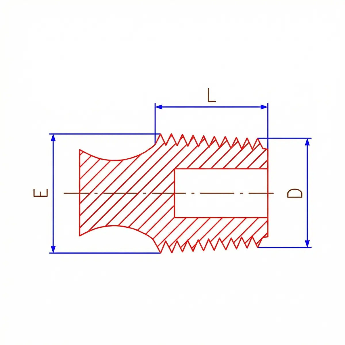
– Maße: M/E/D/L gemäß Tabelle (mm)
– Abgabe nur in vollen Verpackungseinheiten (komplette Kartons)
– Preisgrundlage: €/100 Stück (netto)
– Weitere Abmessungen, Varianten oder Sonderausführungen auf Anfrage möglich.











Rezensionen
Es gibt noch keine Rezensionen.