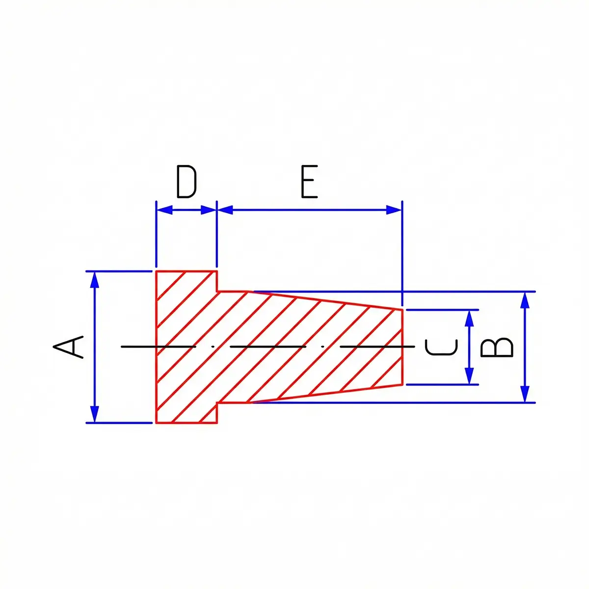
**Konische Stopfen mit Kragen** – perfekt, wenn du Bohrungen schnell verschließen willst und dabei einen definierten Rand/Anschlag brauchst.
**Vorteile im Prozess**
– ✅ Kragen sorgt für sauberen Abschluss und reproduzierbaren Sitz
– ✅ Schnelles Einsetzen & Entfernen
– ✅ Beständig für hohe Ofen-/Prozesstemperaturen
**Technische Übersicht**
– Temperaturbeständig bis 315°C.
– Maße: A/B/C/D/E gemäß Tabelle (mm)
– Abgabe nur in vollen Verpackungseinheiten (komplette Kartons), keine Teilmengen.
– Weitere Abmessungen, Varianten oder Sonderausführungen können auf Anfrage gefertigt werden.











Rezensionen
Es gibt noch keine Rezensionen.