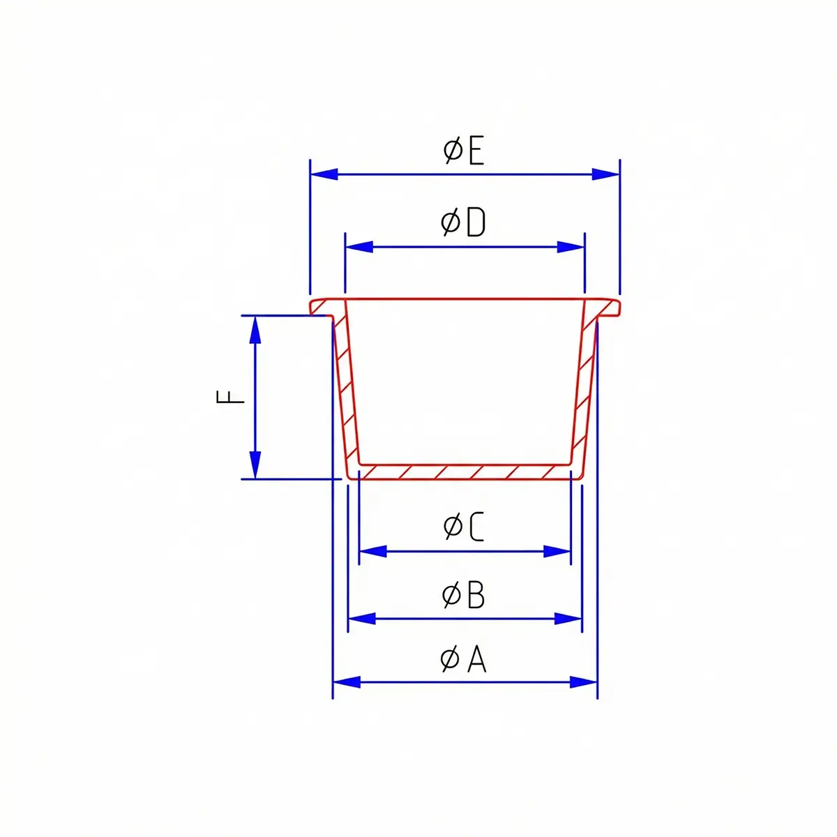
**SHK – Stopfen konisch hohl mit Kragen** für das sichere Abdecken von Bohrungen bei Pulverbeschichtung und Lack. SHK – Stopfen konisch hohl mit Kragen (bis 315°C) für das sichere Abdecken von Bohrungen bei Pulverbeschichtung und Lack
**Ihre Vorteile im Prozess**
– ✅ Sauberer Randabschluss durch integrierten Kragen
– ✅ Sicherer Halt dank konischer Geometrie
– ✅ Flexibel einsetzbar für wechselnde Bohrungsdurchmesser
– ✅ Temperaturbeständig bis 315°C
**Technische Übersicht**
– Temperaturbeständigkeit: bis 315°C
– Farbe: rot
– Abgabe: nur in vollen Verpackungseinheiten (komplette Kartons)
– Preisgrundlage: €/100 Stück (netto)
– Weitere Abmessungen, Varianten oder Sonderausführungen auf Anfrage möglich.










Rezensionen
Es gibt noch keine Rezensionen.